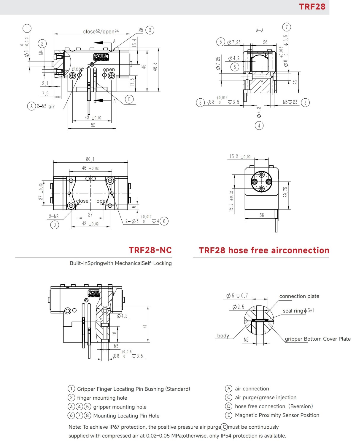
| specification | TRF28 | TRF28-NC | Unit |
| stroke per jaw | 6 | 6 | mm |
| product weight | 0.4 | 0.5 | kg |
| max gripping distance | 60 | 60 | mm |
| Theoretical Max. Gripping Force:Opening/Closing | 60P/55P | -/55P | N |
| Air Consumptionper Opening-Closing Cycle | 0.056 | 0.14 | L |
| Min.spring force | / | 120 | N |
| air purge allowable pressure | 0.2–0.5 | 0.2–0.5 | bar |
| work piece weight | 1 | 1 | kg |
| opening/cosing time | 0.02/0.02 | 0.04/0.02 | s |
| max per finger weight/kg | 0.3 | air connection feature | M5 |
| repeat accuracy/mm | ± 0.01 | temperature range/°C | –5–60 |
| air pressure range/bar | 3–8 | IP class | 67 |
| air purge working can reach IP67 otherwiseIP54 | |||

Payment Methods:
50% shall be paid by T/T in advance.50%balance paid before machine loading at the factory.
After-sales service
Your benefits
In the condition of proper usage and non man-made damage, the contractual warranty should be 24 months since you receive the equipments. If it is approved to be quality issue by both parties, then the seller shall provide new spare parts or new one as replacement and fast courier shall be taken by FOUK.
Return ship service please contact your sales represent.
Our Service
Online Guided Repair or Repair by Sending Back to FOUK Production Base
Replacement Service
Detailed Maintenance Recommendations
Real-time Repair Feedback
24-Hour General Manager Hotline
Your correct contact person for after sales service