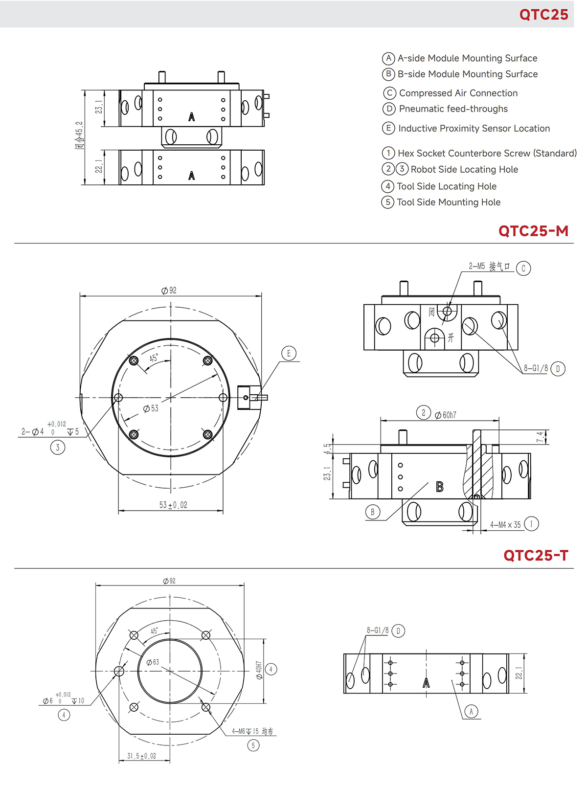
| Specifications | QTC25-M | QTC25-T | Unit |
| Robot-Side Tool Changer | Tool-Side Tool Changer | ||
| Weight | 0.72 | 0.4 | kg |
| Lock/Unlock main connection | M5 | Locking Force(0.6MPa)/N | 2500 |
| Payload/kg | 25 | PermittedTemperature /°C | 5~60 |
| Repeat Accuracy/mm | 0.015 | IPRating(When fitting) | 67 |
| Working Air Pressure Range/Mpa | 0.45~0.80 | Numbers and features of pneumatic feed-throughs | 8 × G1/8 |
| Mechanical Self-Locking | Standard Configuration | Open/Close Detection | Optional Configuration |

Payment Methods:
50% shall be paid by T/T in advance.50%balance paid before machine loading at the factory.
After-sales service
Your benefits
In the condition of proper usage and non man-made damage, the contractual warranty should be 24 months since you receive the equipments. If it is approved to be quality issue by both parties, then the seller shall provide new spare parts or new one as replacement and fast courier shall be taken by FOUK.
Return ship service please contact your sales represent.
Our Service
Online Guided Repair or Repair by Sending Back to FOUK Production Base
Replacement Service
Detailed Maintenance Recommendations
Real-time Repair Feedback
24-Hour General Manager Hotline
Your correct contact person for after sales service