| Product attributes | HT-ZG12 | HT-ZG25 | HT-ZG32 | HT-ZG40 | HT-HE40 | HT-HE50 | Unit |
| Supporting products | TG12-FZ34/FR28 | TG25-FZ42/FR36 | TG32-FZ55/FR45 | TG40-FZ70/FR57 | TE40-FR36-96 | TE50-FR45-120 | |
| Guide pattern | Linear bearing | Linear bearing | Linear bearing | Linear bearing | Linear bearing | Linear bearing | |
| Weight | 0.65 | 1.85 | 2.3 | 4.3 | 2.9 | 4.6 | kg |
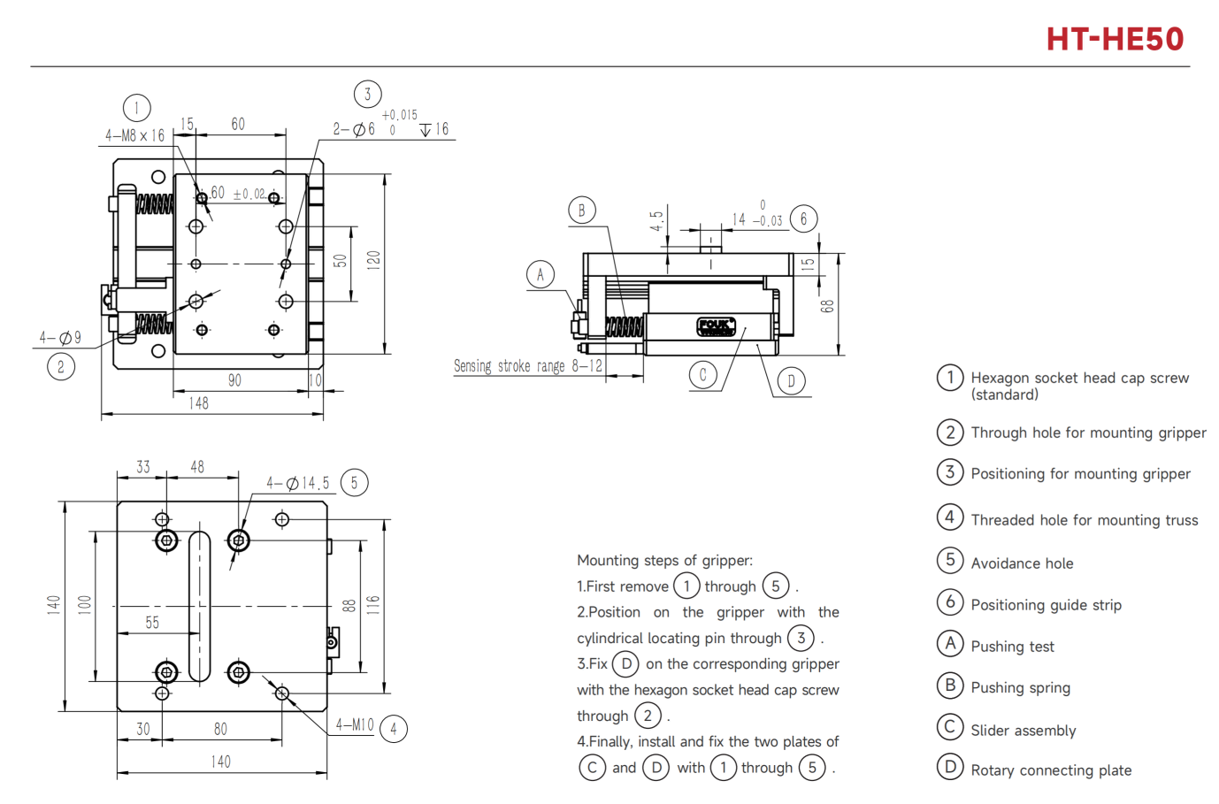
| Sensing stroke range | 6~9 | 7~11 | 7~11 | 8~12 | 7~10 | 8~12 | mm |
| Spring thrust range | 3~8 | 5~14 | 8~20 | 10~25 | 6~16 | 8~20 | kgf |
| Spring type | Rectangular/ circularsection | Rectangular/ circularsection | Rectangular/ circularsection | Rectangular/ circularsection | Rectangular/ circularsection | Rectangular/ circularsection |

| Inductive proximity sensor | |
| IPSD-2NS-0823-L3 | Inductive,NPN,3-core3m |
| IPSD-2PS-0823-L3 | Inductive,PNP,3-core3m |
| *Two sensors are required for each rotation unit. For the detailed monitoring of two positions,see the sensor appendix. | |
Payment Methods:
50% shall be paid by T/T in advance.50%balance paid before machine loading at the factory.
After-sales service
Your benefits
In the condition of proper usage and non man-made damage, the contractual warranty should be 24 months since you receive the equipments. If it is approved to be quality issue by both parties, then the seller shall provide new spare parts or new one as replacement and fast courier shall be taken by FOUK.
Return ship service please contact your sales represent.
Our Service
Online Guided Repair or Repair by Sending Back to FOUK Production Base
Replacement Service
Detailed Maintenance Recommendations
Real-time Repair Feedback
24-Hour General Manager Hotline
Your correct contact person for after sales service